启东市龙盛石化设备制造有限公司

联系我们

启东市龙盛石化设备制造有公司

地址:启东市汇龙工业园区杨沙路18

邮编:226200

邮箱:qdsls@www.qdsls.cn

   13951335027@139.com

电话:0513-83353586  13951335068

传真:0513-83350849

网址:www.www.qdsls.cn

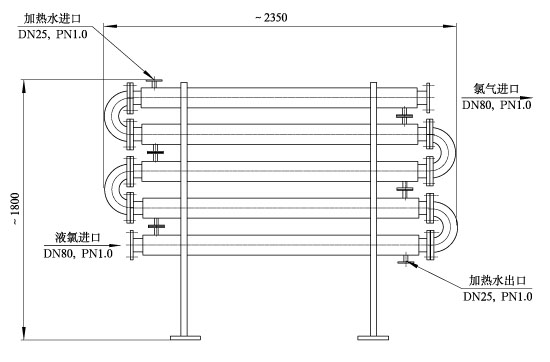
纸浆漂白专用设备

启东市龙盛石化设备制造有限公司生产的SV、SK、SX、SH、JHF等静态混合器;SRY、SRT、SRZ、SRB粗、细、精细过滤器,以及动态混合设备、换热冷却设备、石化管道设备的生产厂家。