启东市龙盛石化设备制造有限公司

联系我们

启东市龙盛石化设备制造有公司

地址:启东市汇龙工业园区杨沙路18

邮编:226200

邮箱:qdsls@www.qdsls.cn

   13951335027@139.com

电话:0513-83353586  13951335068

传真:0513-83350849

网址:www.www.qdsls.cn

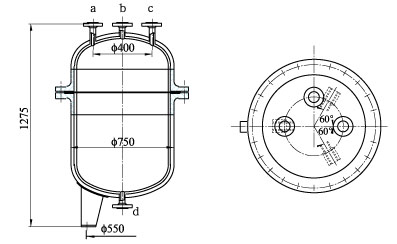
罐用喷射式混合器

喷射混合器

  • 所属分类:罐用喷射式混合器

  • 点击次数:0
  • 发布日期:2017-04-13
详细介绍


上一篇:卡箍式喷射混合器
下一篇:罐用喷射器