启东市龙盛石化设备制造有公司
地址:启东市汇龙工业园区杨沙路18
邮编:226200
邮箱:qdsls@www.qdsls.cn
13951335027@139.com
电话:0513-83353586 13951335068
传真:0513-83350849
网址:www.www.qdsls.cn
| ◎窄口双密封量油装置 | ◎量油孔 |
型号规格:SCY-150 | 型号规格:GCY-150 量油孔为脚踏式,装于油罐顶部,用于 测量罐内油品的标高和温度及取样等 |
| ◎GZQ-1罐顶通气孔 | ◎L-2/1罐壁通气孔 |
| 适用范围:用于内 规格:660×400 重量:66kg | 规格:700×400 重量:20 kg |
![]() | |
![]() | |
| ◎FNT-1防爆阻火通气罩 | |
| 适用范围: 加油站、储油罐的通气管口上、油槽车、油罐车上、洞库、油漆厂、容剂厂、油厂及制药厂排出的管口上。 符合国际GB5908-86规定。 | |
![]() | |
| ◎TOG型系列通气管 | |
| 适用范围: 该通气管是安装在油罐顶部的通风装置 | |
![]() | |
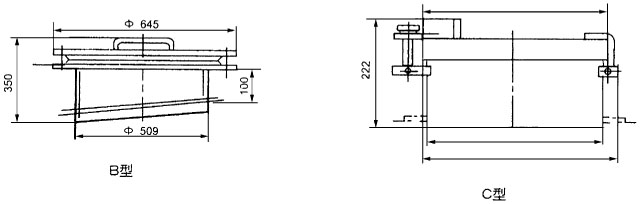
| ◎罐壁人孔标设L1/22-DN600 单重:162kg | |
![]() | |
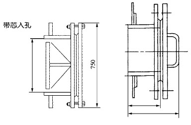
| ◎带芯人孔(GRGODN500)、GRD-DN600 | |
![]() | |
| ◎GSP型系列排污孔 | |
![]() | |
| ◎GTG型系列透光孔 | |
![]() | |
![]() | |
| ◎GTSQ清扫孔 | |
![]() | |
![]() | |
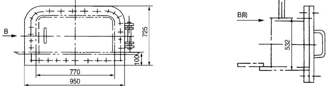
| ◎清扫孔(不带水管) | |
| 规格:500×700 重量:134kg | |
![]() | |