启东市龙盛石化设备制造有限公司

联系我们

启东市龙盛石化设备制造有公司

地址:启东市汇龙工业园区杨沙路18

邮编:226200

邮箱:qdsls@www.qdsls.cn

   13951335027@139.com

电话:0513-83353586  13951335068

传真:0513-83350849

网址:www.www.qdsls.cn

在线式手动清洗过滤器

在线手动清洗过滤器

  • 所属分类:在线式手动清洗过滤器

  • 点击次数:0
  • 发布日期:2020-01-07
详细介绍
◎产品简介
  LSS系列在线式手动清洗过滤器适用于各种供水系统、工艺管路及工业循环水系统,特别是24小时连续运行的不停机系统,确保系统的安全可靠运行,是一种简洁高效的过滤器,广泛应用于石油、化工、冶金、环保、采矿、制药、食品、造纸等领域。
  本系列过滤器清洗模式两种:刷式和导流式。
◎型号标注
blob.png
工作原理与结构特点

  LSS系列刷式手动清洗过滤器是一种过滤与清洗同步实现的过滤装置,由碳钢或不锈钢筒体、不锈钢刷、不锈钢楔形滤网、压力表及排污阀等组成。流体经过滤器后,杂质被拦截在滤筒内壁,当进出口压力表产生一定压差时,无需停机拆卸过滤器,只要打开排污阀轻轻转动手柄,使刷子在滤筒内壁作圆周运动,把杂质从滤筒光滑的内壁上刷下,随水力方向排出,即可完成清洗过程。
  LSS系列导流式手动清洗过滤器工作原理参见LSDP型自洁式过滤器部分。

主要技术参数

  1、公称通径:DN50-600
  2、最高工作温度: <200℃
  3、压力损失:0.025-0.05MPa
  4、工作压力:0.15-4.0MPa
  5、过滤精度: ≥80μm
  6、清洗耗水量:约为主管道流量的1%

◎结构形式及外形尺寸
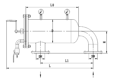
LSSY型刷式在线式手动清洗过滤器
blob.png
  本表参数适用于: 工作压力≤1.0M P a,过滤精度≥0.08m m,其它工作压力、过滤精度及规格尺寸可按用户要求设计。

LSSL型刷式在线式手动清洗过滤器
blob.png
  1、本表参数适用于:工作压力≤1.0MPa,过滤精度≥100μm,其它工作压力、过滤精度及规格尺寸可按用户要求设计。
  2、本过滤器可以根据用户工艺要求设计成进出口位于同一高度。
  3、注:筒体直径≥500mm时, 过滤器封头采用椭圆形封头形式。
blob.png

LSSF型刷式在线式手动清洗过滤器
blob.png
blob.png

  1.本表参数适用于:工作压力≤1.6MPa, 过滤精度≥100μm,其它工作压力、过滤精度及规格尺寸可按用户要求设计。
  2.注:筒体直径≥500mm时, 过滤器封头采用椭圆形封头形式。

LSSPⅠ型过滤器
blob.png
LSSP Ⅱ型过滤器
blob.png

LSSC型复合式在线式手动清洗过滤器
1、LSSCⅡ型复合式在线式手动清洗过滤器
blob.png
◎注意事项
  LSJS型在线式手动清洗过滤器可水平或垂直安装,安装时应注意外壳上箭头方向必须与水流方向一致。
◎订贷须知
  1、本公司生产的LSJS系列过滤器,公称压力等级为0.6、1.0、1.6、2.5、4.0、6.3MPa,采用化工部HG20592标准,用户如采用GB、JB、ANSI、JIS等法兰标准,请在合同中注明。
  2、过滤器型号所注材质:C-20号碳钢,S-1Cr18Ni9Ti/0Cr18Ni9,R-316L;如需特殊材料,请在合同中注明。
  3、选购过滤器时,敬请用户正确书写型号、规格及操作模式,提供如下工况资料:
   a 最高工作压力 b 最高工作温度 c 过滤精度
   d 介质名称、浓度、粘度 e 杂质含量比率、杂质粒径
  4、非标产品,可按用户提供的图纸及技术条件进行设计和制造。


上一篇:没有了
下一篇:没有了