启东市龙盛石化设备制造有限公司

联系我们

启东市龙盛石化设备制造有公司

地址:启东市汇龙工业园区杨沙路18

邮编:226200

邮箱:qdsls@www.qdsls.cn

   13951335027@139.com

电话:0513-83353586  13951335068

传真:0513-83350849

网址:www.www.qdsls.cn

自洁式过滤设备

您的当前位置:首 页>> 产品中心 >> 自洁式过滤设备

LSZL自洁式过滤器

  • 所属分类:自洁式过滤设备

  • 点击次数:0
  • 发布日期:2020-01-07
详细介绍
◎功能与用途
  LSZL型反冲洗式自洁式过滤器广泛用于冶金、化工、石油、造纸、医药、食品、采矿、电力、城市给水领域。诸如工业废水,循环水的过滤,乳化液的再生,废油过滤处理,冶金行业的连铸水系统、高炉水系统,热轧用高压水除鳞系统。是一种先进、高效且易操作的全自动过滤装置。
设备结构与工作原理
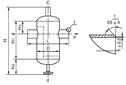
  LSZL型反冲洗式自洁式过滤器由壳体、多个滤芯、反冲洗机构、电控箱、减速机、电动阀门和差压控制器等部分组成。壳体内的横隔板将其内腔分为上、下两腔,上腔内配有多个过滤芯,这样充分利用了过滤空间,显著缩小了过滤器的体积,下腔内安装有反冲洗吸盘。工作时,浊液经入口进入过滤器下腔,又经隔板孔进入滤芯的内腔。大于过滤芯缝隙的杂质被截留,净液穿过缝隙到达上腔,最后从出口送出。本过滤器滤芯采用高强度的J o h n s o n楔形滤网,通过压差控制、定时控制自动清洗滤芯。当过滤器内杂质积聚在滤芯表面引起进出口压差增大到设定值,或定时器达到预置时间时,电动控制箱发出信号,驱动反冲洗机构。当反冲洗吸盘口
与滤芯进口正对时,排污阀打开,此时系统泄压排水,吸盘与滤芯内侧出现一个相对压力低于滤芯外侧水压的负压区,迫使部分净循环水从滤芯外侧流入滤芯内侧,吸附在滤芯内壁上的杂质微粒随水流进入吸盘内并从排污阀排出。特殊设计的Johnson网使得滤芯内部产生喷射效果,任何杂质都将被从光滑的内壁上冲走。当过滤器进出口压差恢复正常或定时器设定时间结束后,电机停止运转,电动排污阀关闭。整个过程中,物料不断流,反洗耗水量少,实现了连续化、自动化生产。
工作原理图
本机特点
  ● 本过滤器减速机构采用NRV型减速机,外壳采用优质铝合金压铸结构,散热性好、噪声小、重量轻、承载能力大;
  ● 密封装置采用CVA62.1-85标准增强四氟双端面密封结构,密封性能可靠、使用寿命长、承压能力强;
  ● 顶部设有自动排气阀,结构紧凑、启闭灵敏;
  ● 差压取样部分采用D520/7DD型切换差可调式差压控制器,信号反馈正确;
  ● 滤芯采用高强度Johnson滤网,缝隙精确率高、有效过滤面积大、压降小,反冲洗效率高;
  ● 滤芯花板采用304不锈钢,与反冲洗吸盘工作界面进行镜面处理;
  ● 反冲洗吸盘采用增强聚四氟乙烯结构及反冲洗吸盘自整机构,能确保吸盘与滤芯花板的长效密封,增强了反冲洗效果;
  ● 本过滤器电气控制部分采用PLC可编程控制器,清洗模式采用差压控制、定时控制及手动控制并联模式,清洗程序采用定时定位模式,反洗耗水量小,清洗彻底;
  ● 电控箱采用立柱式全透屏户外防水型结构。
产品主要尺寸表
  注:1、本过滤器的连接法兰,一般HGJ45-91PN1.0MPa 设计制造,用户如需其它标准和规格的连接法兰,或相关尺寸及排污阀方
      向等需变更时,请在订货时说明。
    2、如需防爆型电控箱,其外形尺寸为800×540×400。

SLAY型全自动自清洗过滤器主要技术参数
  注:1、*设计流量按V=2m/S计算
    2、**该过滤面积是以滤孔为φ1的冲孔板所计算的值;孔径不同,其有效过滤面积也有所不同。