启东市龙盛石化设备制造有限公司

联系我们

启东市龙盛石化设备制造有公司

地址:启东市汇龙工业园区杨沙路18

邮编:226200

邮箱:qdsls@www.qdsls.cn

   13951335027@139.com

电话:0513-83353586  13951335068

传真:0513-83350849

网址:www.www.qdsls.cn

自洁式过滤设备

您的当前位置:首 页>> 产品中心 >> 自洁式过滤设备

全自动反冲洗过滤器

  • 所属分类:自洁式过滤设备

  • 点击次数:0
  • 发布日期:2020-01-07
详细介绍
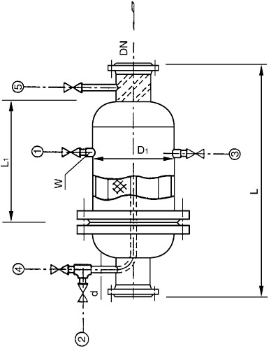
SRFⅡ导流式反冲洗式过滤器 PN5.0 MPa
工作原理图
本机特点
  ● 本过滤器减速机构采用NRV型减速机,外壳采用优质铝合金压铸结构,散热性好、噪声小、重量轻、承载能力大;
  ● 密封装置采用CVA62.1-85标准增强四氟双端面密封结构,密封性能可靠、使用寿命长、承压能力强;
  ● 顶部设有自动排气阀,结构紧凑、启闭灵敏;
  ● 差压取样部分采用D520/7DD型切换差可调式差压控制器,信号反馈正确;
  ● 滤芯采用高强度Johnson滤网,缝隙精确率高、有效过滤面积大、压降小,反冲洗效率高;
  ● 滤芯花板采用304不锈钢,与反冲洗吸盘工作界面进行镜面处理;
  ● 反冲洗吸盘采用增强聚四氟乙烯结构及反冲洗吸盘自整机构,能确保吸盘与滤芯花板的长效密封,增强了反冲洗效果;
  ● 本过滤器电气控制部分采用PLC可编程控制器,清洗模式采用差压控制、定时控制及手动控制并联模式,清洗程序采用定时定位模式,反洗耗水量小,清洗彻底;
  ● 电控箱采用立柱式全透屏户外防水型结构。
产品主要尺寸表
  注:1、本过滤器的连接法兰,一般HGJ45-91PN1.0MPa 设计制造,用户如需其它标准和规格的连接法兰,或相关尺寸及排污阀方
      向等需变更时,请在订货时说明。
    2、如需防爆型电控箱,其外形尺寸为800×540×400。

SLAY型全自动自清洗过滤器主要技术参数
  注:1、*设计流量按V=2m/S计算
    2、**该过滤面积是以滤孔为φ1的冲孔板所计算的值;孔径不同,其有效过滤面积也有所不同。


表1.24 SRFⅡ导流式反冲洗式过滤器规格与尺寸
  注:①物料进、出口及冲洗液接管安装不受方位限制,卧、立式安装均可;
    ②当本过滤器放空口用丝堵密封时,螺纹尺寸为W,*为放空口用阀门连接时的接管尺寸




上一篇:LSZL自洁式过滤器
下一篇:没有了