启东市龙盛石化设备制造有公司
地址:启东市汇龙工业园区杨沙路18
邮编:226200
邮箱:qdsls@www.qdsls.cn
13951335027@139.com
电话:0513-83353586 13951335068
传真:0513-83350849
网址:www.www.qdsls.cn
| ◎产品简介 |
SQS系列汽水混合器是新型节能环保产品,它是利用蒸汽与水直接混合将水加热,具有低噪声、无振动、热效率高等特点,被广泛地应用在生活用热水、生产用热水及热水除氧等系统中。长期运行实践证明,该产品使用效果良好。 |
![]() |
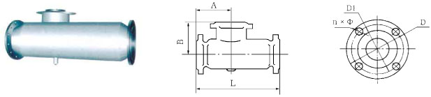
| ◎结构及原理 |
| 该混合器主要由喷管、壳体、网板等部分组成。 被加热水通过呈拉伐尔状的喷管时,蒸汽从喷管外侧通过管壁上许多斜向小喷头喷入水中,两者在高速流动中瞬间良好混合,以达到加热的目的。调节蒸汽侧阀门,就可得到所需温度的热水。 |
| 表-Ⅰ及表-Ⅱ分别列出开式系统和循环系统在额定进水流量及蒸汽为0.4M P a下,不同加热温度与蒸汽消耗量的关系,供用户选择加热器和复核汽源时参考。(说明:蒸汽压力0.4MPa不一定是加热器运行的工况条件)。 |
开式系统蒸汽消耗量表 (饱和蒸汽压力为0.4MPa) |
| 表-Ⅰ 单位:t/h |
![]() |
循环系统蒸汽消耗量表 (饱和蒸汽压力为0.4MPa) |
| 表-Ⅱ 单位:t/h |
![]() |
| 注:表-Ⅰ、表-Ⅱ中0.4MPa蒸汽不一定是本产品的使用条件。本设备的使用条件见后。 |
| ◎外形尺寸 |
![]() |